Het bestaat uit twee delen: hoofdklep en stuurklep. Door de veerdruk aan te passen om de uitlaatdruk in te stellen, het membraan te gebruiken om veranderingen in de uitlaatdruk waar te nemen en de zuiger door het openen en sluiten van de stuurklep te drijven om de grootte van het stroomgebied van het smoorgedeelte van de hoofdklep aan te passen om de functie van drukvermindering en stabilisatie te bereiken. Het belangrijkste product wordt voornamelijk gebruikt voor stoompijpleidingen, die de rol spelen van drukvermindering en stabilisatie.

Functies:
1. De stuurklep bestaat hoofdzakelijk uit klepzitting, klepschijf, diafragma, veer, stelveer en andere onderdelen.
2. Dit product heeft grote verbeteringen aangebracht op basis van gewone drukreduceerkleppen, waardoor het zuigergebied is vergroot en de smoringsstructuur is gewijzigd.
3. De vorm van de afdichting is gewijzigd, het stroomgebied is vergroot, enz., waardoor de prestaties in termen van gevoeligheid, stroomsnelheid, levensduur, enz. aanzienlijk zijn verbeterd.
4. Hoofdzakelijk gebruikt in stoompijpleidingen, geschikt voor stoompijpleidingen met grote stroomsnelheden, grote stroomveranderingen en grote veranderingen in de inlaatdruk.
Werkend principe
De uitlaatdruk werkt zowel op het onderoppervlak van het membraan als op het onderoppervlak van de schijf. Wanneer deze druk de ingestelde waarde van de veer overschrijdt, wordt de veer samengedrukt, waardoor de schijf sluit. Bij afwezigheid van stroomafwaartse waterstroming blijft de uitlaatdruk doorgaans dicht bij de ingestelde waarde, waarbij de variatie ervan slechts ongeveer 8% bedraagt van de verandering in de inlaatdruk.
Technische parameters en prestatie-indicatoren
|
PN (Mpa) |
1.6 |
2.5 |
4 |
6.4 |
10 |
16 |
|
Shell-testdruk (Mpa)* |
2.4 |
3.75 |
6 |
9.6 |
15 |
24 |
|
Afdichtingstestdruk (Mpa) |
1.6 |
2.5 |
4 |
6.4 |
10 |
16 |
|
Hogere inlaatdruk (Mpa) |
1.6 |
2.5 |
4 |
6.4 |
10 |
16 |
|
Uitlaatdrukbereik (Mpa) |
0.1-1.0 |
0.1-1.6 |
0.1-2.5 |
0.5-3.5 |
0.5-3.5 |
0.5-4.5 |
|
Afwijking drukkarakteristiek (Mpa) △P2P |
NL12246-1989 |
|||||
|
Afwijking stromingskarakteristiek (Mpa)P2G |
NL12246-1989 |
|||||
|
Minimaal drukverschil (Mpa) |
0.15 |
0.15 |
0.2 |
0.4 |
0.8 |
1 |
|
Hoeveelheid lekkage |
0 graad -80 graad |
|||||
CV (mm)
|
DN (mm) |
15 |
20 |
25 |
32 |
40 |
50 |
65 |
80 |
100 |
125 |
150 |
200 |
250 |
300 |
350 |
400 |
500 |
|
CV |
1 |
2.5 |
4 |
6.5 |
9 |
16 |
25 |
36 |
64 |
100 |
140 |
250 |
400 |
570 |
780 |
1020 |
1500 |
Aansluitformulier en bestelinstructies:Flenstype: RF FM RJ
Implementatienormen: JB79 GB9113 ANSI B16.5
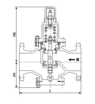
Totale afmetingen (PN1.6-4.0) mm
|
DN |
Dimensies |
|||
|
L |
H |
H1 |
||
|
1,6/2,5 MPa |
4.0MPa |
|||
|
15 |
160 |
180 |
295 |
90 |
|
20 |
160 |
180 |
330 |
98 |
|
25 |
180 |
200 |
330 |
110 |
|
32 |
200 |
220 |
330 |
110 |
|
40 |
220 |
240 |
345 |
125 |
|
50 |
250 |
270 |
345 |
125 |
|
65 |
280 |
300 |
350 |
130 |
|
80 |
310 |
330 |
385 |
160 |
|
100 |
350 |
380 |
385 |
170 |
|
125 |
400 |
450 |
400 |
200 |
|
150 |
450 |
500 |
415 |
210 |
|
200 |
500 |
550 |
475 |
240 |
|
250 |
650 |
525 |
290 |
|
|
300 |
800 |
580 |
335 |
|
|
350 |
850 |
620 |
375 |
|
|
400 |
900 |
660 |
405 |
|
|
450 |
900 |
730 |
455 |
|
|
500 |
950 |
750 |
465 |
|

Populaire tags: directe membraanveerdruk vermindert klep, China directe membraanveerdruk vermindert klepfabrikanten, leveranciers, fabriek











